動態(tài)改變DC-DC反饋電阻,調整輸出電壓
2023/12/7 18:09:03??????點擊:
DC-DC指直流轉直流電源,DC全稱為Direct Current。
DC-DC一般由控制芯片、電感線圈、濾波電容等構成,下圖是一個經典的DC-DC參考電路:

DC-DC控制芯片本身一般沒有動態(tài)調整輸出電壓的功能。
手上有一塊電路板,具有動態(tài)改變DC-DC控制芯片外部的反饋電阻,以調整輸出電壓的功能:

這塊電路板用了PMU芯片。
PMU也就是Power Management Unit,即電源管理單元:

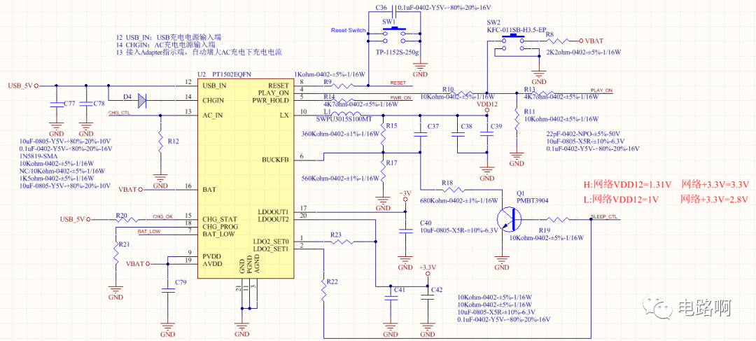
對應的原理圖如下:

看起來比較凌亂,畢竟是PMU,管理著幾路電源,稍顯復雜。
本文只關注PMU中的DC-DC部分,為方便分析,刪除其他無關的電路 :

DC-DC原理圖與實物電路板的對應關系:

針對PMU中DC-DC這部分電路,下面我們開始分析“動態(tài)調整輸出電壓”的電路原理。
一、當主控芯片輸出的SLEEP_CTL為低電平時
此時三極管Q1不導通:

電路等效為:

由于該DC-DC的反饋電壓Vfb固定為0.6V,而輸出電壓VDD12通過反饋電阻R15與R17分壓后即為反饋電壓Vfb,即有如下公式:

所以確定了反饋電阻R15與R17的值,也就確定了輸出電壓VDD12:

可以算出此時VDD12≈1V。
二、當主控芯片輸出的SLEEP_CTL為高電平時
此時三極管Q1導通:

電路等效為:

這樣電阻R18接入成為反饋電阻,與電阻R17并聯(lián),對應的公式變?yōu)椋?/span>

輸出電壓VDD12變?yōu)椋?/span>

實測VDD12輸出為1.31V。
至此,通過動態(tài)改變DC-DC控制芯片外部的反饋電阻,以調整輸出電壓的原理分析完畢。
三、快速問答(Fast Question & Answer)
1、為什么要動態(tài)調整DC-DC的輸出電壓?
答:以文中的這塊電路板為例,VDD12是主控芯片的內核供電電壓,在正常工作時電壓要求為1.31V,在休眠(sleep)時降低為1V,故需要動態(tài)調整。
2、電容C37的作用是?

答:電容C37為DC-DC的前饋電容,目的是調整芯片輸出電壓的響應速度,以后有機會再具體展開分析。
3、電容C38與C39的作用是?

答:進行電源濾波,它們是濾波電容。
4、三極管Q1可以直接替換為MOS管嗎?

答:可以,而且MOS管型號經常選用2N7002。替換為MOS管可以進一步降低功耗,但是MOS管的價格比三極管高得多。
DC-DC一般由控制芯片、電感線圈、濾波電容等構成,下圖是一個經典的DC-DC參考電路:

DC-DC控制芯片本身一般沒有動態(tài)調整輸出電壓的功能。
手上有一塊電路板,具有動態(tài)改變DC-DC控制芯片外部的反饋電阻,以調整輸出電壓的功能:

這塊電路板用了PMU芯片。
PMU也就是Power Management Unit,即電源管理單元:

對應的原理圖如下:

看起來比較凌亂,畢竟是PMU,管理著幾路電源,稍顯復雜。
本文只關注PMU中的DC-DC部分,為方便分析,刪除其他無關的電路 :

DC-DC原理圖與實物電路板的對應關系:

針對PMU中DC-DC這部分電路,下面我們開始分析“動態(tài)調整輸出電壓”的電路原理。
一、當主控芯片輸出的SLEEP_CTL為低電平時
此時三極管Q1不導通:

電路等效為:

由于該DC-DC的反饋電壓Vfb固定為0.6V,而輸出電壓VDD12通過反饋電阻R15與R17分壓后即為反饋電壓Vfb,即有如下公式:

所以確定了反饋電阻R15與R17的值,也就確定了輸出電壓VDD12:

可以算出此時VDD12≈1V。
二、當主控芯片輸出的SLEEP_CTL為高電平時
此時三極管Q1導通:

電路等效為:

這樣電阻R18接入成為反饋電阻,與電阻R17并聯(lián),對應的公式變?yōu)椋?/span>

輸出電壓VDD12變?yōu)椋?/span>

實測VDD12輸出為1.31V。
至此,通過動態(tài)改變DC-DC控制芯片外部的反饋電阻,以調整輸出電壓的原理分析完畢。
三、快速問答(Fast Question & Answer)
1、為什么要動態(tài)調整DC-DC的輸出電壓?
答:以文中的這塊電路板為例,VDD12是主控芯片的內核供電電壓,在正常工作時電壓要求為1.31V,在休眠(sleep)時降低為1V,故需要動態(tài)調整。
2、電容C37的作用是?

答:電容C37為DC-DC的前饋電容,目的是調整芯片輸出電壓的響應速度,以后有機會再具體展開分析。
3、電容C38與C39的作用是?

答:進行電源濾波,它們是濾波電容。
4、三極管Q1可以直接替換為MOS管嗎?

答:可以,而且MOS管型號經常選用2N7002。替換為MOS管可以進一步降低功耗,但是MOS管的價格比三極管高得多。
- 上一篇:別被IIC總線給坑了! 2023/12/12
- 下一篇:2023.11.30 經驗分享會 2023/11/30
